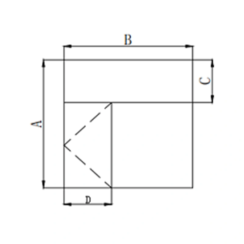
Ventana estándar de 1500 mm × 1500 mm.
Espesor del material: 1,4 mm.
A = 1500 mm, B = 1500 mm, C = 600 mm, D = 600 mm.

| Nombre | Model | Fórmula | Longitud (mm) |
Peso (kg/m) |
Cantidad | Sum (kg) |
|---|---|---|---|---|---|---|
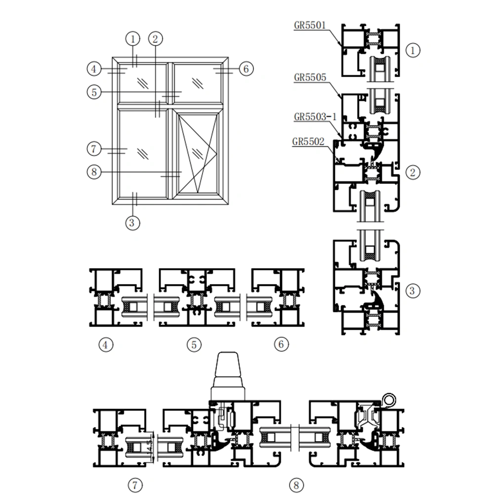
| H-Frame | GR5501 | B | 1500 | 0.995 | 2 | 2.985 |
| V-Frame | GR55D01 | A | 1500 | 0.995 | 2 | 2.985 |
| H-Mullion | GR5503-1 | B-45.6 | 1454.4 | 1.215 | 1 | 1.767 |
| V-Mullion | GR5503-1 | A-C-36.7 | 863.3 | 1.215 | 1 | 1.049 |
| H-Sash | GR5502 | D-29.7 | 570.3 | 1.191 | 2 | 1.358 |
| V-Sash | GR5502 | A-C-29.7 | 870.3 | 1.191 | 2 | 2.073 |
| H-Bead | GR5505 | B-D-85.7 | 814.3 | 0.234 | 2 | 0.381 |
| V-Bead | GR5505 | A-C-41.7 | 858.3 | 0.234 | 2 | 0.402 |
| H-Bead | GR5505 | B-99.6 | 1400.4 | 0.234 | 2 | 0.655 |
| V-Bead | GR5505 | C-41.7 | 558.3 | 0.234 | 2 | 0.261 |
| H-Bead | GR5505 | D-166.1 | 433.9 | 0.234 | 2 | 0.203 |
| V-Bead | GR55D05 | A-C-121.1 | 777.9 | 0.234 | 2 | 0.364 |
| Esquina de la suela de goma | GR5809 | 69.2 | 69.2 | 2.409 | 4 | 0.089 |
| Peso total | 1.5m × 1.5m =2.25m² | 16.058 | ||||
| Peso promedio | (kg/m²) | 16.058/2.25=7.137 | ||||
Ofrecemos principalmente tres categorías: perfiles para la construcción (para puertas, ventanas y muros cortina), perfiles industriales (para equipos de automatización y radiadores) y perfiles decorativos (para muebles y expositores). Suministramos aleaciones comunes como 6061, 6063 y 6005, y también podemos fabricar según normas internacionales como ASTM, DIN y GB.
El pedido mínimo para perfiles estándar es de 500 kg por modelo. Para perfiles personalizados, debido a los diferentes costes de molde, el pedido mínimo suele ser de 1000-2000 kg. Si necesita un pedido de prueba pequeño, puede ponerse en contacto con nuestro equipo de ventas para discutir un plan de asistencia especial.
Sí. Solo tiene que proporcionar planos en 2D/3D (con las dimensiones, tolerancias y requisitos de tratamiento superficial indicados) o muestras físicas. Nuestros ingenieros completarán la evaluación de viabilidad en un plazo de 3 días laborables y le proporcionarán el ciclo de producción del molde y el presupuesto.
Plazo de fabricación del molde: 7-10 días laborables para moldes de extrusión normales y 12-15 días laborables para moldes complejos (como los de múltiples cavidades o con formas especiales). Plazo de producción en serie: tras la confirmación del molde, el ciclo de producción en serie es de 10-15 días laborables (sin incluir el tiempo de tratamiento de la superficie).
Nuestros productos han superado la certificación del sistema de gestión de calidad ISO9001, y algunos productos pueden cumplir los requisitos de las certificaciones CE, SGS, ROHS y otras. Proporcionaremos informes de pruebas de terceros (incluidas las propiedades mecánicas, la composición química y las tolerancias dimensionales) para cada lote de mercancías antes de la entrega. También admitimos la reinspección por parte de instituciones designadas por el cliente.
Los tratamientos superficiales habituales incluyen anodizado (prueba de resistencia al rocío salino ≥1000 horas), recubrimiento electroforético (≥1500 horas), recubrimiento en polvo (≥2000 horas) y recubrimiento de fluorocarbono (≥4000 horas). Podemos recomendarle una solución adecuada en función de su escenario de aplicación (por ejemplo, zonas costeras o entornos con altas temperaturas).
Por defecto, realizamos entregas FOB en los principales puertos, como Qingdao, Shanghái, Cantón y Shenzhen, y también podemos proporcionar presupuestos basados en condiciones como CIF y DDP. Los costes logísticos se pueden acordar según las condiciones comerciales. Si cuenta con un transportista con el que colabora habitualmente, también podemos coordinarnos con él.
Utilizamos embalajes estándar para la exportación: la capa interior se envuelve con película de PE, la capa exterior se fija con cartón o palés de madera y se añade espuma amortiguadora entre cada paquete de perfiles. Esta solución de embalaje ha superado múltiples pruebas de transporte marítimo, lo que puede reducir eficazmente el riesgo de deformación durante el transporte. Si se producen daños debido al embalaje tras la llegada, asumiremos la responsabilidad de reponer la mercancía.
Por favor, tome fotos para documentar el problema y póngase en contacto con el equipo de ventas en un plazo de 7 días hábiles tras la recepción de la mercancía. En un plazo de 3 días hábiles, un empleado especializado verificará el problema. Una vez confirmada nuestra responsabilidad, le ofreceremos tres soluciones: reposición gratuita, reembolso con descuento o reelaboración, con el fin de minimizar sus pérdidas de adquisición.
Podemos proporcionar 1-2 muestras (de 30-50 cm de longitud) de perfiles estándar de forma gratuita, y solo tendrá que correr con los gastos de envío. Para muestras personalizadas, se requiere una pequeña tarifa por el molde (que se reembolsará íntegramente tras realizar un pedido al por mayor). El plazo de entrega de las muestras es de 3-5 días laborables tras confirmar los requisitos, y normalmente realizamos los envíos a través de DHL o FedEx de forma predeterminada.